欢迎光临
手机网站 | 联系我们:150-2171-6506 | 加入收藏
  • 当前位置:上海韩东机械科技有限公司 > 产品中心 > 气胀轴安全夹头 > HD韩东铝合金键条式气胀轴3英寸

    HD韩东铝合金键条式气胀轴3英寸

    产品型号: 3英寸
    品  牌: HD韩东
      价格电议,您可以向供应商询价得到该产品价格
    所 在 地: 上海松江区
    更新日期: 2025-12-02
    详细信息
     品牌:HD韩东  型号:3英寸  加工定制:是  
     类型:气胀轴  参数:见下图  加工定制:是  
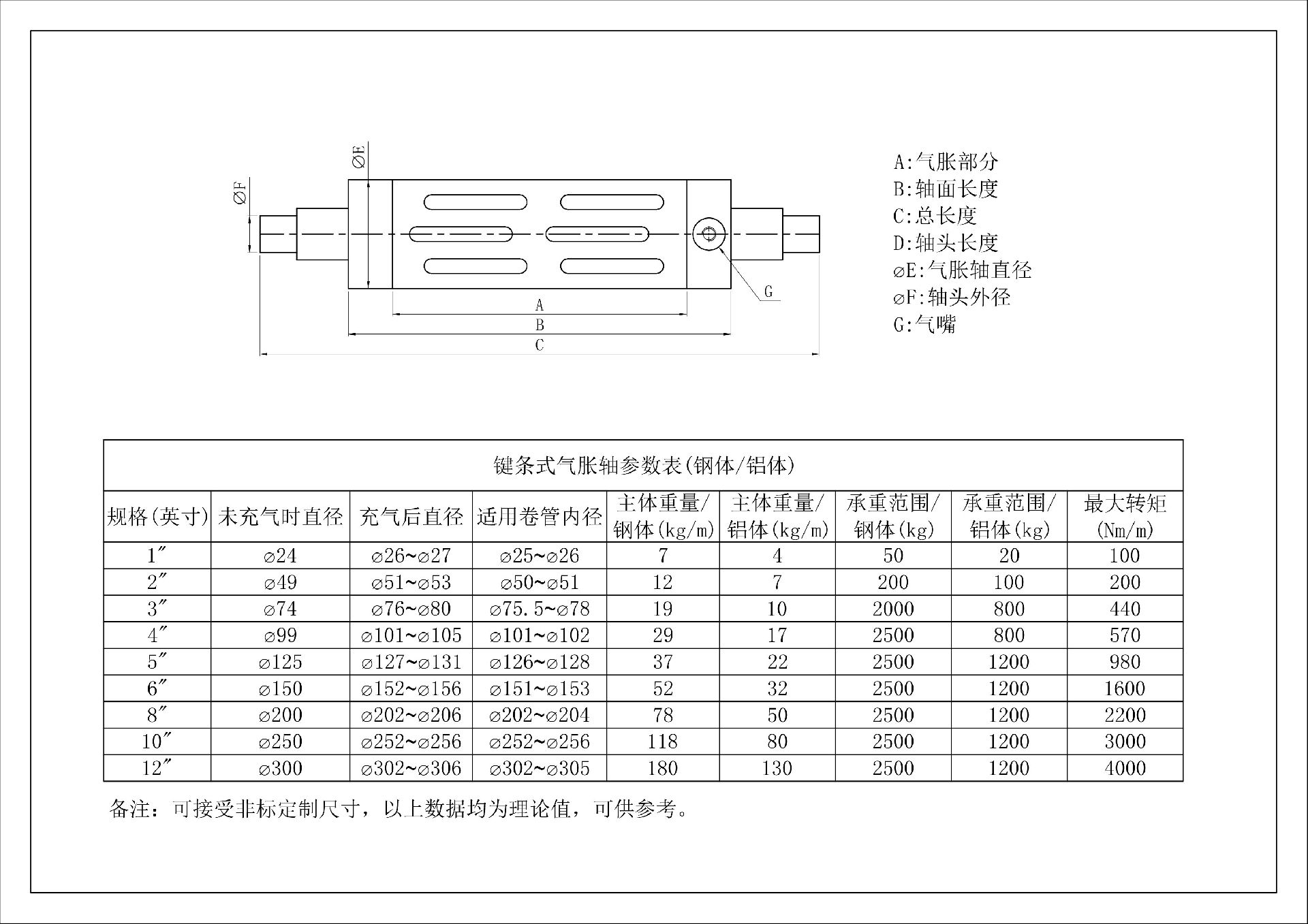
    键条式气胀轴:键条式气胀轴适用于分条、印刷、复卷、涂布、贴合及其他需要较高真圆或表面卷取之机械配合使用。
    键条式气胀轴设计:
    键条式气胀轴被设计成用于轴心收卷和单轴放卷方式,用以满足客户高强度的张力或扭矩的需求,同时也满足可以承受高的料重。通过单气囊的膨胀,键膨胀,轴芯就会被夹紧。气胀轴中心管体可由钢或铝制成,键由钢制成。
    键条式气胀轴技术参数:

    气胀轴定制需求:
    若客户有特别要求,键也可用其他材料制成。 为满足客户的特别要求,我们可以按照客户图纸要求定制各种材质与表面处理的轴头。由于其独特的夹式系统,气囊可以在轴头抽出后被轻松的更换,不需要采用特殊工具;
    气胀轴应用案例:
  • 留言
    标  题: *(必填)
    内  容: *(必填)
    联系人:
    邮  箱:
    手  机:
    固  话:
    *(必填)
    公  司: *(必填)
    地  址: *(必填)